Вот такая протяжка уже давненько работает, фотке больше года - как говорится, сделана из того, что под рукой.PAVEL писал(а):А что разве перевелись у нас истинные самопальщикиэто те кто сам протяжки мастерит не уж то не кто не ставил 12 вольтовые моторчики
Стабилизация оборотов коллекторного двигателя
Re: Re:
Re: Стабилизация оборотов коллекторного двигателя
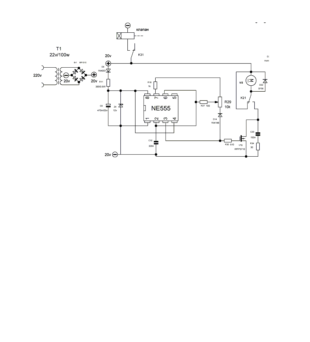
Подскажите,кто каким БП пользуется для подающего,мот у кого есть схемка с печаткой на ТОР250,или можно применить схему того БП который используется для питания сварочника,естественно перещитать под другую мощность.
Re: Стабилизация оборотов коллекторного двигателя
Мотор на подавалке какой мощности?
Re: Стабилизация оборотов коллекторного двигателя
Наверное применю с жиги с дворников,другого варианта у меня нет.
Re: Стабилизация оборотов коллекторного двигателя
Zmey, мож все-таки поискать подавалку на 24 вольта, ваттов на 40-50. Для питания можно будет и отдельный флау поставить. Где-то читал, что обратноходы на ТОПах лучше себя чувствуют если нагружены по принципу: 48ватт=24в*2А , чем 48ватт=12в*4А.В даташите на ТОП242-250 (весит 2.16Мб) есть разводки от производителя, в добавок, если нужно, могу скинуть прогу для расчета трансика.
Ну и ,как решающий фактор, в выборе движка подачи, вот это:
Ну и ,как решающий фактор, в выборе движка подачи, вот это:
Re: апгрэд БУ
Сообщение sam_soft 26 янв 2013, 19:21
Выбрался наконец поварить. Поварил немного на всех режимах, на всяк. НЧ пульс востановил. В кучу с 204 подача для нее. Там другой алгоритм, и скорость может меняться в процессе на лету. Те хто делает свою подачу имейте ввиду. Задания скорости нет, пока не нажат пуск.
Re: Стабилизация оборотов коллекторного двигателя
Komrad Спасибо,програмка у меня есть,расчитаю без проблем.
Re: Стабилизация оборотов коллекторного двигателя
Провел эксперименты с двумя предлагаемыми здесь схемами:
1. на LM555
2. на TL494 она подобна, а скорей всего,первоисточник этой схемы
Исходные данные такие: двигатель-редуктор от стеклоподьемников неизвестной иномарки. Питание 12В ток на холостом ходу 2.2А, сопротивление обмотки 0,4 Ом. Источник питания переделанный МП3-3 который стабильно выдает 12В_8А.
Первая схема не понравилась - падают обороты при торможении шестерни диаметром 15мм пальцами руки. Одновременно падает напряжение на клеммах двигателя за счет падения напряжения на полевике и соединительных проводах. Движок издает писк 1000Гц.
Вторая схема показала лучшие результаты. Вначале за неимением КП103 установил КП303. Схема работать не хотела. Осмотревшись установил сопротивление 10к между 14 и 8 ногами микросхемы. Конденсатор в цепи стока измерительного полевика пришлось уменьшить до 0,47-1мкф, иначе двигатель икал на низкой(0.5-1Гц) частоте. Стартовал движок уже от Uвых 1В измеренном стрелочным прибором. При 1.3В его уже было невозможно остановить пальцами руки. При торможении ток потребления вырастал до 3.5А, а напряжение на клемах двигателя увеличивалось на 0,6В. Компенсация падения напряжения на сопротивлении двигателя на лицо. Но при Uвых больше 2.5В компенсация пропадала. Потом все таки нашел КП103 и ситуация улучшилась. Теперь компенсация работает до Uвых 6В, то есть до половины Uпит как и должно быть. Я пробовал увеличить Uпит, но тогда двигатель не так стабильно работает на малых оборотах. Можно установить тумблер для переключения между малыми и большими оборотами который будет комутировать Uпит с 12В до 24В. Мне этого вполне хватит. При 6В обороты на выходе редуктора =70 и при диаметре ролика 3см подача составит 3*3.14*70=6.6м/мин а если увеличить Uпит то точно будет повыше необходимых 12м/минуту.. Интересно но Uвых можно поднять выше 50% Uпит, где то до 75% Uпит, но там уже не работает стабилизация. Кстати сопротивление на 10к дополнительно установленное я снял, при использовании КП103 оно не требуется.
1. на LM555
2. на TL494 она подобна, а скорей всего,первоисточник этой схемы
Исходные данные такие: двигатель-редуктор от стеклоподьемников неизвестной иномарки. Питание 12В ток на холостом ходу 2.2А, сопротивление обмотки 0,4 Ом. Источник питания переделанный МП3-3 который стабильно выдает 12В_8А.
Первая схема не понравилась - падают обороты при торможении шестерни диаметром 15мм пальцами руки. Одновременно падает напряжение на клеммах двигателя за счет падения напряжения на полевике и соединительных проводах. Движок издает писк 1000Гц.
Вторая схема показала лучшие результаты. Вначале за неимением КП103 установил КП303. Схема работать не хотела. Осмотревшись установил сопротивление 10к между 14 и 8 ногами микросхемы. Конденсатор в цепи стока измерительного полевика пришлось уменьшить до 0,47-1мкф, иначе двигатель икал на низкой(0.5-1Гц) частоте. Стартовал движок уже от Uвых 1В измеренном стрелочным прибором. При 1.3В его уже было невозможно остановить пальцами руки. При торможении ток потребления вырастал до 3.5А, а напряжение на клемах двигателя увеличивалось на 0,6В. Компенсация падения напряжения на сопротивлении двигателя на лицо. Но при Uвых больше 2.5В компенсация пропадала. Потом все таки нашел КП103 и ситуация улучшилась. Теперь компенсация работает до Uвых 6В, то есть до половины Uпит как и должно быть. Я пробовал увеличить Uпит, но тогда двигатель не так стабильно работает на малых оборотах. Можно установить тумблер для переключения между малыми и большими оборотами который будет комутировать Uпит с 12В до 24В. Мне этого вполне хватит. При 6В обороты на выходе редуктора =70 и при диаметре ролика 3см подача составит 3*3.14*70=6.6м/мин а если увеличить Uпит то точно будет повыше необходимых 12м/минуту.. Интересно но Uвых можно поднять выше 50% Uпит, где то до 75% Uпит, но там уже не работает стабилизация. Кстати сопротивление на 10к дополнительно установленное я снял, при использовании КП103 оно не требуется.
Re: Re:
Komrad ! падскажите пажалуйста если не трудно ,по фото протяжки как крепили ролик на вал редуктора т.е вал усиливали и крепление ролика на шпонку или конус? .Столкнулся с такой проблемой решил протяжку изготовить, от наших камерсантов не дождатьсяKomrad писал(а): Вот такая протяжка уже давненько работает, фотке больше года - как говорится, сделана из того, что под рукой.
Re: Стабилизация оборотов коллекторного двигателя
Сперва о креплении ролика. На фотке ниже показан вал шестерни редуктора, такой-же в моей подаче. Ролик по центру имеет углубление диаметром больше зажимающей гайки. Гайка высокая, примерно 12 мм. В ролике по центру было рассверлено отверстие, а потом надфилями доработано согласно валу.PAVEL писал(а):.Столкнулся с такой проблемой решил протяжку изготовить, от наших камерсантов не дождаться
Думаю , стеклоочистители не единственный вариант для подавалки. В качестве примера предложу начатый спул-ган. Моторчик с редуктором от шуруповерта.
Re: Стабилизация оборотов коллекторного двигателя
Вот это уже интересно.Komrad писал(а):...В качестве примера предложу начатый спул-ган. Моторчик с редуктором от шуруповерта.