Снимаю шляпу.Komrad писал(а):... Был у меня случай, на Ренухе не смогли снять поддон, болты в блоке прихватило намертво. Так на моторе и заваривал дырень.Обстановка такая: потолочное положение, только подогреешь - сразу масло течет струёй. ......
Осцилятор к косому мосту
Re: Осцилятор к косому мосту
-
Evgeniy-free
- Сообщения: 392
- Зарегистрирован: 02 дек 2012, 07:30
- Откуда: Сибирь
Re: Осцилятор к косому мосту
Ну не прямо присадку греть, а всё вместе... скажем прожёг дырку в трубке, приложил в дырку присадку и сплавил всё вместе!Komrad писал(а):Никогда не начинал с разогрева присадки
Re: Осцилятор к косому мосту
Вот у кого нужно учиться мастерству сварки! Такого, действительно в кино никто не покажет. Поддерживаю Петровича, снимаю шляпу с поклоном. Мне еще до такого далеко.Komrad писал(а): Так на моторе и заваривал дырень.Обстановка такая: потолочное положение, только подогреешь - сразу масло течет струёй. Какие уж там перчатки и обезжиривание: сам в масле, горелка в масле, куча тряпок протирать это все. .... Это только в кино все красиво и гламурно, реалии немного другие.
Подтверждаю, хорошая технология, только нужен хамелеон. Пока маску закроешь, то уже дырка, присадок и горелка - в разных местах.Evgeniy-free писал(а): Ну не прямо присадку греть, а всё вместе... скажем прожёг дырку в трубке, приложил в дырку присадку и сплавил всё вместе!
Re: Осцилятор к косому мосту
Видать не сильно толстый, и насыщается как положено. Шоб точнее узнать идукцию нужны витки, ал и сечение.Komrad писал(а): У меня тоже толстый сердечник (материал Р4)
Попробуем с обратной стороны. Имеем сердешник 1 см сечением. Апосля умножителя 1000 вольт, длительность импульса скажем 500 нан. Менее получить полупроводами просто так не получится. ( разрядником нанаосеки, запросто )
посему имеем индукцию в трасике = 0.5 (10-6)* 1000 / 1 ( 10-4) = 5. В итоге от киловольта приложенного к первичке , на вых останется бзик, в лучшем случае половина.
Можно наращивать витки во вторичке или сделать два витка или три но тогда опять придется витков на вторичке наращивать, сие не так просто ибо там десяток квадратов сечения
I'll be back
-
Evgeniy-free
- Сообщения: 392
- Зарегистрирован: 02 дек 2012, 07:30
- Откуда: Сибирь
Re: Осцилятор к косому мосту
Вот чем и хорош осциллятор на ирке 2153, нужно витков меньше мотать и индуктивность будет меньше! У меня вообще транс от ТВС сечением 125мм квадратных!sam_soft писал(а):и насыщается как положено
Re: Осцилятор к косому мосту
Сэм, не въехал, .. как эт для одиночного импульса, время подключения первички к разрядной емкости может повлиять на коефф. передачи ?? Время цепи первичка-разрядная емкость ..остается то неизменной , к тому же сам сердешник наносеки не пропустит
Какая разница до какого глубокого наВсыщения доведет индукция сердещник, если время цепи одно и тоже
Какая разница до какого глубокого наВсыщения доведет индукция сердещник, если время цепи одно и тоже
Сеять - разумное, доброе, вечное.
Re: Осцилятор к косому мосту
А причом здесь время подключения ? Важна длительность генерируемого импульса.with писал(а):как эт для одиночного импульса, время подключения первички к разрядной емкости может повлиять на коефф. передачи
Законам физики и электромагнетизма подчиняется любой трансформатор. Принципиально , работа трансика осцилятора ничем не отличается от работы силового транса, и от 50 герцового бодика. По той же самой причине силовой трансик аппарата Сэма работает на 40 кГц а не на 20 кГц. На пальцах, примерно так. Широки импульс имеет больше низкочастотных спектральных компонент, для которых малая интуктивность первички ( один виток, малое сечение сердечника ) - коротыш.
Вспомни школьную математику. У постоянной функции спектра нет, у дельта-функции спектр - белый шум.
Да в этой теме по моему уже был талдыч про всякие осциляторы. Все повторяется снова.
I'll be back
Re: Осцилятор к косому мосту
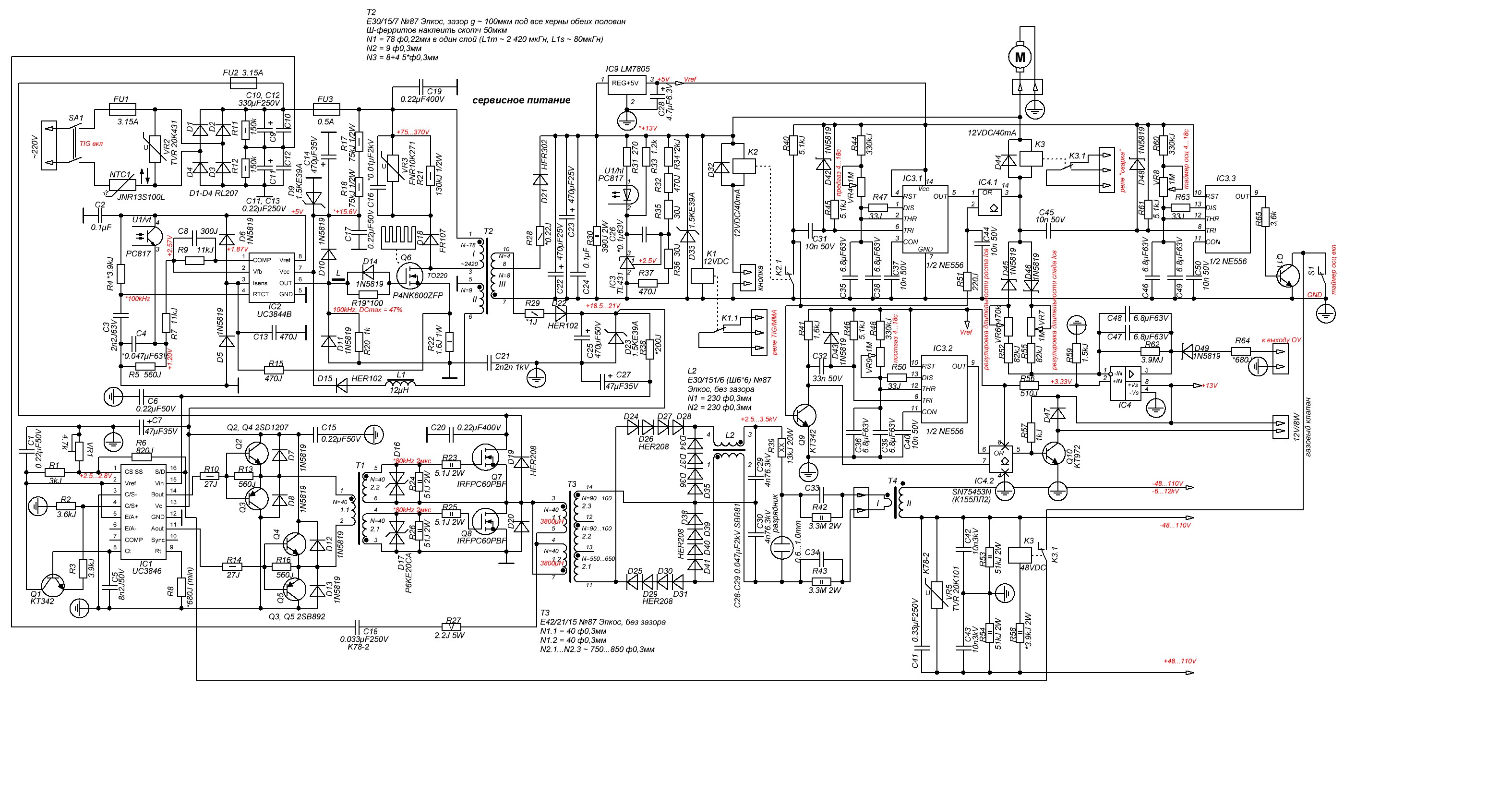
самопал. осциллятор на uc3846 с дежуркою и аналоговой схемой управления.
видево при 115VAC входного
http://www.youtube.com/watch?v=zYWgAD4B0D0
эскрементальный наколенный вариант чисто заценить возможности. хочу сделать вариант 2, получше. но один не потяну.
посинею
http://www.youtube.com/watch?v=zYWgAD4B0D0
эскрементальный наколенный вариант чисто заценить возможности. хочу сделать вариант 2, получше. но один не потяну.
- Вложения
-
описание осциллятора.pdf- (65.12 КБ) 879 скачиваний
Re: Осцилятор к косому мосту
Во, блинн, целый супергетеродиннн. А возбудитель тот же разрядник.GND писал(а):... один не потяну.посинею
Похоже помех будет не много. Похоже главная задача решена.
-
max_milenium
- Сообщения: 67
- Зарегистрирован: 15 июн 2015, 19:46
- Откуда: Россия
Re: Осцилятор к косому мосту
Потихоньку собираю DC-AC, хочу прикрутить к нему осцилл на ИР2153, вот только данных транса нигде так и не нашел. Мож кто подскажет?
С уважением...
С уважением...