Флуд выходного дня
Re: Флуд выходного дня
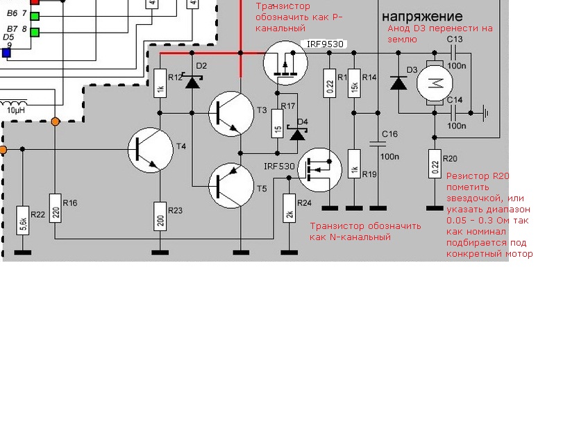
Тгда еще не большие правки и вроде все. Полевики нужно "развернуть", поменять местами D и S.
Re: Флуд выходного дня
может я блукаю, но полевики более или менее правильно нарисованы ( стрелки правильно, а связи внутри полевика нет, стоки правильно)Komrad писал(а):Тгда еще не большие правки и вроде все. Полевики нужно "развернуть", поменять местами D и S.
тут определится с диодом мотора
Re: Флуд выходного дня
И я про то уже просил Петровича поменять эту ошибку.Komrad писал(а):Тгда еще не большие правки и вроде все. Полевики нужно "развернуть", поменять местами D и S.
Re: Флуд выходного дня
Давайте не будем спорить: более правильно или менее правильно. А нарисуем так, как принято, или как показано в даташите.egor писал(а):может я блукаю, но полевики более или менее правильно нарисованы ( стрелки правильно, а связи внутри полевика нет, стоки правильно)
Что касается диода, было написано: поскольку в тормозящем полевике уже есть диод, " внешний" можно не ставить. А если ставить, то анодом прямиком к массе, ибо мешает измерениям.
Re: Флуд выходного дня
согласен. Реалии то другие- у IRF9530 "стрелку" меняли года два.Komrad писал(а): Давайте не будем спорить: более правильно или менее правильно. А нарисуем так, как принято, или как показано в даташите.
тут нет готовой "конструкторской документации"- делай разз-два!. Не говорю о комплектующих- например, мне легче и дешевле купить набор СМД резисторов, чем покупать единичные номиналы и сверлить под них отверстия.
и я не в претензии- проект то добровольный, некоммерческий. Давайте скажем "Спасибо!" Петровичу за сайт и возможность общаться и Сэму за разработку аппаратов.
предлагаю просто написать крупными буквами- схемы для ознакомления, желательно брать за основу от автора
Re: Флуд выходного дня
Сказано Спасибо много раз. Но по схеме с Главной разводят печатки, потом пишут - НЕ РАБОТАЕТ... Я собрал, проверил, результат огласил. Если нет желания править неточности - пусть так и остается. Лично мне оно не надо.
Re: Флуд выходного дня
Исправил.Komrad писал(а):Сказано Спасибо много раз.... потом пишут - НЕ РАБОТАЕТ... ...
П.С. ..а что эти колхозники сами не видят, что якорь заряжается плюсом, а разряжается N-каналом?

Если конкретно указал, то я сразу конкретно исправил. Далёк я уже от сварки, репу морщить лень.
Вот увлёкся измерителем RLC.
Re: Флуд выходного дня
каким если не секрет? имею два самопала...у каждого свои недостатки есть, но главное- индуктивность одинаково показываютPetrovich писал(а): Вот увлёкся измерителем RLC.
Re: Флуд выходного дня
Почитал"Радиокот". Очень вдохновило. Но мне не так нужен измеритель (хотя нужен, мой сломался) сколько хочу по программировать. Столкнулся впервые со сложностью вычислений, вот это и не даёт покоя. Разбираюсь с плавающей запятой.egor писал(а):...каким если не секрет? ...
А поделитесь опытом, что у Вы делали. С удовольствием посмотрю.
Re: Флуд выходного дня
как начал собирать заднепроходы, понял, что необходим измеритель L.Petrovich писал(а): А поделитесь опытом, что у Вы делали. С удовольствием посмотрю.
сначала наткнулся на ветку
http://vrtp.ru/index.php?s=a97a9b2d404a ... =lcm3&st=0
и собрал его. Из плюсов:
1. не надо точных приборов для градуировки. все делается манипуляциями с клеммами (замкнуты клеммы- L=0, разомкнуты- С=0..и т.д.)
2. достаточная точность измерений для нас.
3. простота схемы
4. измерения от 0 и практически до бесконечности
Минусы:
1. подбор типа двух кондеров.
2. плавают показания от положения и типа катушки индуктивности в приборе (приходилось при каждом включении "градуировать"), особенно было заметно при измерении ESR конденсаторов и низких сопротивлений.
сначала поставил гантельку простую, потом купил гантелю где-то 10мм и намотал нужную индуктивность.
стало лучше, но все равно "неуютно"
3. программатор Пиков (сначала простой "на проводках" от СОМа, им запрограммировал Pickit2)
4. питание от сетевого адаптера.
Надоело, подумал, что ничего лучшего не добьюсь от него и собрал второй (ссылку давал в теме "Лаборатория").
схема посложнее, питание крона, точность неплохая (оба прибора проверял изготовлением трансов для обратноходов и измерением покупных катушек), меряет частоту
градуируется измерением сопротивления 3 точных резисторов (3-х конденсаторов при градуировке измерения емкости). Т.е. он "трехдиапазонный".
после сборки и наладки второго, понял, почему меня не устраивал первый- выбросил из него танталы 10мкф и впаял керамику 10мкф (брал из горелых комповых видюх).
вот так у меня получилось в хозяйстве 2 прибора RLC
в обоих приборах индикатор 16х2 ЛСД, натыкался на реинкарнацию второго прибора на экране от Нокии3310 и питаловом на литий-полимере.
если подытожить, то первый меня сегодня полностью устраивает сегодня, проще, дешевле
приборы на основе мег как-то не вдохновили меня для изготовления сразу
если захотите "порно", то сделаю на днях