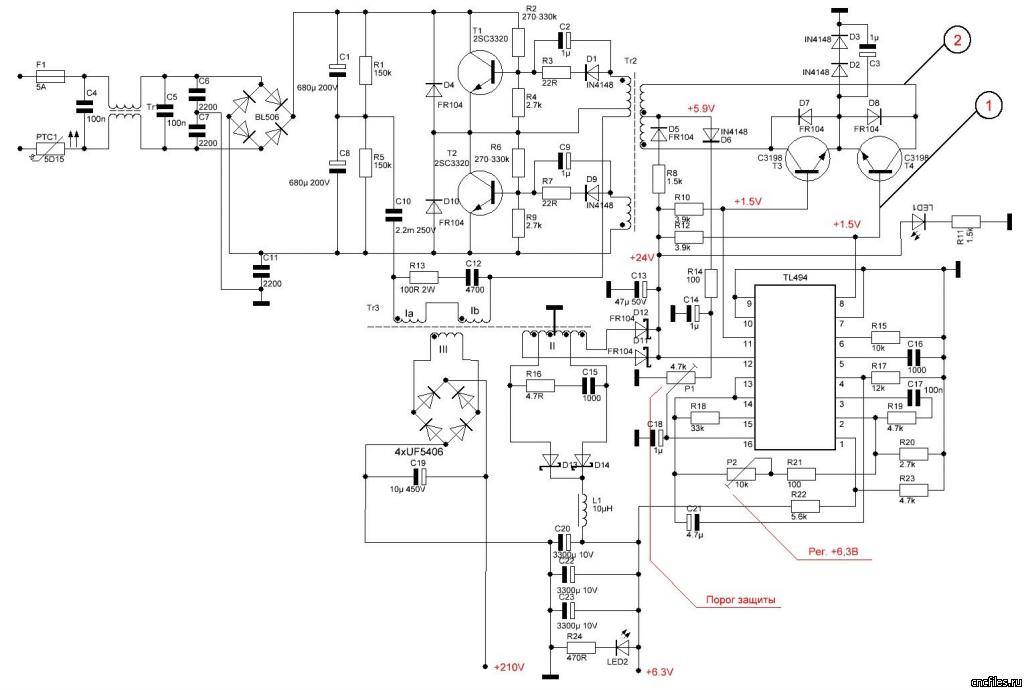
Естессно, я так и понял. Вот посмотрите фрагмент схемы.Sergey160481 писал(а):Извините я имел ввиду тот блок что на тл494
БП сварочного инвертора.
Re: БП сварочного инвертора.
Re: БП сварочного инвертора.
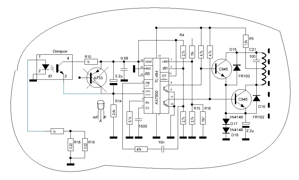
Это защита на всякий случай, работает, но не очень. Вы абсолютно правы, что возникает конфликт.На одной ноге , на Дед Тайм он уменьшает напругу, а на другой старается её стабилизировать, т.е. поднять.Sergey160481 писал(а):...Если увеличивать нагрузку, ток начинает падать в напряжение станет польсировать 16-18 вольт.Я так понимаю бп хочет стабилизировать напряжение и одновременно ток и вступает в конфликт сам с собой
Если Вы хотите, и это правильно, получить при каком-то пороге мягкий токовый режим, то надо заводить обе цепи на одну ногу. Легче всего это получится на 4-ю, оптроном, как я показал.
Если у Вас найдётся чуток энтузиазма, попробуйте и нам доложте.
Re: БП сварочного инвертора.
Petrovich,а не проще сделать БП для протяжки на ТОР247 например?
-
- Сообщения: 392
- Зарегистрирован: 02 дек 2012, 07:30
- Откуда: Сибирь
Re: БП сварочного инвертора.
Я бы не сказал что проще. У меня на ТОР250 выдаёт 10А а толку мало, для спулгана нормально а вот для большой протяги не хватает стартануть, нужно что-то придумывать будет.Chir-OFF писал(а):а не проще сделать БП для протяжки на ТОР247 например?
Тут давал ссылку на сайт с БП из деталей от компьютерного бп, но там уже ссылки на скачивание не открываются, если интересно вот эта схема могу дать файлы статьи! Сам сделал три таких бп и не было проблем!
Re: БП сварочного инвертора.
поставь резистор 20-30 ом в разрыв питания мотора ,поможет если конечно у тебя ТОР по защите отрубается.Он сгладит бросок тока.Evgeniy-free писал(а): вот для большой протяги не хватает стартануть, нужно что-то придумывать будет.
-
- Сообщения: 392
- Зарегистрирован: 02 дек 2012, 07:30
- Откуда: Сибирь
Re: БП сварочного инвертора.
Это если буду делать протягу отдельную так и сделаю. Тут спулган всё доделать не могу, нет, он работает, просто хочется поудобней что-то смастерить!dik01 писал(а):поставь резистор 20-30 ом в разрыв питания мотора ,поможет если конечно у тебя ТОР по защите отрубается
А то что выше выложил настраивал защиту по току на 15А при 24В для уверенного старта протяжки от пдг-510, там четырёх-роликовая все приводная система.

Re: БП сварочного инвертора.
Evgeniy-free это походу бп для лампового умзч
.
Я почему задался вопросом про ТОР,дело в том что притащили на ремонт ПА Техномиг 150,в нём бахнул БП,собран на UC3842+феррит ЕЕ43.Подавалка собрана на TL494 и полевики,как и в нашей схеме.Чел говорит,что уже второй раз носил в ремонт,а я восстанавливать по сто раз не хочу.Вот и хочу попробовать что нить другое,пока проще ТОРа варианта не вижу,по мощности больше подходит 249,завтра спрошу есть ли в магазе такой.Мотор там стоит меньше чем в моей подавалки,надо померить скока жрёт тока под нагрузкой.Схему на аппарат естественно не нашёл,кому интересно скину фотки.

Я почему задался вопросом про ТОР,дело в том что притащили на ремонт ПА Техномиг 150,в нём бахнул БП,собран на UC3842+феррит ЕЕ43.Подавалка собрана на TL494 и полевики,как и в нашей схеме.Чел говорит,что уже второй раз носил в ремонт,а я восстанавливать по сто раз не хочу.Вот и хочу попробовать что нить другое,пока проще ТОРа варианта не вижу,по мощности больше подходит 249,завтра спрошу есть ли в магазе такой.Мотор там стоит меньше чем в моей подавалки,надо померить скока жрёт тока под нагрузкой.Схему на аппарат естественно не нашёл,кому интересно скину фотки.
Re: БП сварочного инвертора.
Ребят, вопросик хочу один уточнить по питанию. Итак, у нас четыре независимых питания на драйвера баяна (силовой АС) по 22В(18В), питание 15В на БУ и на Атмегу8 (тоже два) /уточню-плата Павла PWM3b-V2.50/. Питание 5В тоже на драйвера АС микрухи HC08. Питание 24В на протяжку. Плюс ко всему у меня 2х22В питание драйверов ДС. Плюс питание главной кнопки(еще не разбирался). Итого имеем:
1) 4х22В питание драйверов АС
2) 2х22В питание драйверов ДС (в моем случае)
3) 2х15В питание БУ ( вопрос почему 15в, а не 9-12В, один фиг стоят кренки 7805?)
4) 1х5В(12В) питание НС08 драйверов АС
5) 24В протяжка
В общем до фига что имеем. Ну с 24В-более-менее ясно, буду использовать компьютерный БП, чисто только на одну протягу, вроде как до 37В можно разогнать, за глаза хватит. У меня на трансформаторном ПА стоит давно, работает хорошо и исправно, крутит москвичевский движок от дворников.
На БУ 2х15В и 15В на НС08 сделаю отдельный БП.
На драйвера 6х22В (и на ДС и на АС) то же отдельный блок.
Ну там еще и на главный кнюпель в довесок. Т.е. одних БП 4 штуки получается.
Хотел как то объединить драйвера, БУ в один блок, но PI Expert почему то больше 6 -ти обмоток не дает сделать, с чем связано? Скажем транс побольше, чтобы побольше обмоток влезло, нагрузка не очень большая, ну 4А пусть. Как бы все это дело скомпоновать, все же питание-вопрос серьезный.
1) 4х22В питание драйверов АС
2) 2х22В питание драйверов ДС (в моем случае)
3) 2х15В питание БУ ( вопрос почему 15в, а не 9-12В, один фиг стоят кренки 7805?)
4) 1х5В(12В) питание НС08 драйверов АС
5) 24В протяжка
В общем до фига что имеем. Ну с 24В-более-менее ясно, буду использовать компьютерный БП, чисто только на одну протягу, вроде как до 37В можно разогнать, за глаза хватит. У меня на трансформаторном ПА стоит давно, работает хорошо и исправно, крутит москвичевский движок от дворников.
На БУ 2х15В и 15В на НС08 сделаю отдельный БП.
На драйвера 6х22В (и на ДС и на АС) то же отдельный блок.
Ну там еще и на главный кнюпель в довесок. Т.е. одних БП 4 штуки получается.
Хотел как то объединить драйвера, БУ в один блок, но PI Expert почему то больше 6 -ти обмоток не дает сделать, с чем связано? Скажем транс побольше, чтобы побольше обмоток влезло, нагрузка не очень большая, ну 4А пусть. Как бы все это дело скомпоновать, все же питание-вопрос серьезный.
Re: БП сварочного инвертора.
Вы все хорошенько смотрели?
1. ТРИ ( не два, не четыре) а ТРИ;
2. Оптодрайверы - дело Ваше;
3. +15 один;
4. нах не нужен, берем с управы;
5. Все правильно.
6. На главный кнопель в Авторском варианте отдельный трансик 50 Гц. Почему - уже писалось.
1. ТРИ ( не два, не четыре) а ТРИ;
2. Оптодрайверы - дело Ваше;
3. +15 один;
4. нах не нужен, берем с управы;
5. Все правильно.
6. На главный кнопель в Авторском варианте отдельный трансик 50 Гц. Почему - уже писалось.
Re: БП сварочного инвертора.
Спасибо Комрад большое, блин, всю ветку прочитал, правда год назад, шел разговор о 3-х, да и на главной тоже три отд. питания, но я думал может модификация на баян какая другая, хотя на схеме баяна три обозначения питания драйверов U1, U2, U3, но посчитал что это наверное опечатка, а получается питание на драйверы ключей обозначенное U3 идет и на один и на второй драйвер, в общем перечитаю ветку с начала еще раз. Плату драйверов я скачивал помоему у Dik, если не ошибаюсь.Komrad писал(а):Вы все хорошенько смотрели?
1. ТРИ ( не два, не четыре) а ТРИ;
Так, это уже лучше.
Про питание главной кнопки читал, что 50гц трансформатор, но сильно пока не вникал, что то из-за наводок вроде, доберемся потихоньку.
Спасибо еще раз, итого получается 5х22В (драйвера) и 15В на все остальное, отлично, ну а протяга и ГК-отдельная песня.