на плате коллектор оптопары идет на 5в. По схемам на 15в- верю платеsam_soft писал(а):С Рождеством Христовым !
Фанерка в прицепе.
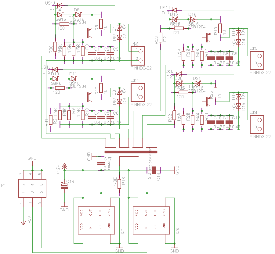
Схемка срисована с платы. Плата там же. В случае вопросов - верить плате, но лучше спросить на всяк.
Если кто возъмет на себя груз проверки - обшэственность скажет сенк.
Реанимация древних машин. На фанерке.
Re: Реанимация древних машин. На фанерке.
Re: Реанимация древних машин. На фанерке.
1. на плате правильно
2. управлять током и напряжением - послать команду, через uart/spi/wifi/ протокол скину, он единообразны.
3. все сигналы ttl
2. управлять током и напряжением - послать команду, через uart/spi/wifi/ протокол скину, он единообразны.
3. все сигналы ttl
I'll be back
Re: Реанимация древних машин. На фанерке.
У Москатова на форуме, есть ветка инвертор лисова, там есть готовые платы с этой раскачкой, на мост. http://moskatov.getbb.ru/viewtopic.php?f=16&t=16
Re: Реанимация древних машин. На фанерке.
я так планирую..на ТС4420- меньше деталюшек, не надо драйверов для мосфетовPAVEL писал(а):готовые платы с этой раскачкой, на мост.
Re: Реанимация древних машин. На фанерке.
Да, тоже выход. Себе хочу заказать на спарку, и на мост, управу моста думаю совместить с силой так чтобы в размер попасьть, заказать одной платой. На мост надо управу дорисовать, но это уже апосля праздника.egor писал(а): я так планирую..на ТС4420- меньше деталюшек, не надо драйверов для мосфетов
-
Evgeniy-free
- Сообщения: 392
- Зарегистрирован: 02 дек 2012, 07:30
- Откуда: Сибирь
Re: Реанимация древних машин. На фанерке.
Просьба к Sam_soft поправить значение деталей снаберных цепей, витки трансформаторов, и фазировку, ну и схемку тоже тем более она в диптрейсе! 
- Вложения
-
- bridge circuit.rar
- (24.21 КБ) 1092 скачивания
Re: Реанимация древних машин. На фанерке.
не ставили б вы ir2110 в мост. она раза в 3 хуже по характеристикам, чем TC4427.Evgeniy-free писал(а):ну и схемку тоже тем более она в диптрейсе!
-
Evgeniy-free
- Сообщения: 392
- Зарегистрирован: 02 дек 2012, 07:30
- Откуда: Сибирь
Re: Реанимация древних машин. На фанерке.
Как бы схему рисовал с фотографии Сэма и его описаний, а так же с симуляций Мультика http://multikonelectronics.com .egor писал(а):не ставили б вы ir2110 в мост
Не знаю чем лучше TC4427, наверное быстродействием... Здесь вроде и так хватает быстроты, куда важней скорость отслеживания намагниченности сердечника, т.к мост с жёсткой коммутацией. А вообще комплектующие фирмы IR более популярны и доступны тем более они у меня есть!
Re: Реанимация древних машин. На фанерке.
Что-бы не растягивать по теме, буду довавлять в этот пост несостыковки печатки и схемы. Понятно что верить печатке, но с номиналами кондеров могут случится ошибки, они ж не промаркированы. Да и резюки могут иметь цветовой код.
1. На схеме не показана цепь torch, пин 4 и земля;
2. В выпрямителе ТТ указаны на печатке 1N5819 (Шотки) , на схеме 1N5919 (Zener);
3. Пин 3 Reset на печатке через резистор 1 кОм на +5 ( если это подтяжка - 1 кОм правильно? ), на схеме пин 3 через тот -же резистор на вывод 6 раьема (reset).
4. На печатке кондер обозначен U20 между 22 и 24 выводами 100 нан, по схеме 10 нан.
5. Переменный резистор 1.5кОм на печатке минус выпрямителя ТТ, на схеме на GND.
6. Нагрузка ТТ на печатке 1 Ом, на схеме 1.6
7. Резистор R7 на печатке 150, на схеме 270.
8. Кондер С8 100n с пина 25 AREF на GND на печатке, по схеме на пин 24 AGND. В предидущей управе был разговор на эту тему, вроде не принципиально?
1. На схеме не показана цепь torch, пин 4 и земля;
2. В выпрямителе ТТ указаны на печатке 1N5819 (Шотки) , на схеме 1N5919 (Zener);
3. Пин 3 Reset на печатке через резистор 1 кОм на +5 ( если это подтяжка - 1 кОм правильно? ), на схеме пин 3 через тот -же резистор на вывод 6 раьема (reset).
4. На печатке кондер обозначен U20 между 22 и 24 выводами 100 нан, по схеме 10 нан.
5. Переменный резистор 1.5кОм на печатке минус выпрямителя ТТ, на схеме на GND.
6. Нагрузка ТТ на печатке 1 Ом, на схеме 1.6
7. Резистор R7 на печатке 150, на схеме 270.
8. Кондер С8 100n с пина 25 AREF на GND на печатке, по схеме на пин 24 AGND. В предидущей управе был разговор на эту тему, вроде не принципиально?
Re: Реанимация древних машин. На фанерке.
1. так и есть, забыл дорисовать
2. шотки
3. это обычный резет, номинал в принципе не важон. машина стартует не быстро. пока фап не захватит клок все стоит и тп
4. не понял про какой кондер речь ?
5. подстроечник должен сидеть верхней ногой к аналоговой земле, средний вывод на 18 пин. это принципиально, это токовая защита, она срабатывает железно, в случае кривых рук, сам в этом убедился, когда накосячил ( хотя делал десяток сварок наверно ). ксатати тот светодиод загорается именно тогда, когда срабатывает защита.
6. 1.6
7. 270
8. не берусь навязывать свое мнение снова. были дебаты уже . но мой подход - аналоговые земли и цифровые должны быть разными
2. шотки
3. это обычный резет, номинал в принципе не важон. машина стартует не быстро. пока фап не захватит клок все стоит и тп
4. не понял про какой кондер речь ?
5. подстроечник должен сидеть верхней ногой к аналоговой земле, средний вывод на 18 пин. это принципиально, это токовая защита, она срабатывает железно, в случае кривых рук, сам в этом убедился, когда накосячил ( хотя делал десяток сварок наверно ). ксатати тот светодиод загорается именно тогда, когда срабатывает защита.
6. 1.6
7. 270
8. не берусь навязывать свое мнение снова. были дебаты уже . но мой подход - аналоговые земли и цифровые должны быть разными
I'll be back