Вот мое понимание. Если делать на модулях,то конструктивно плечи одинаковы и отличаются местом подключения горелки и сигналом на драйверы. Сигналы на схеме помечены CLC AC+ и CLC AC- __ позитивный и негативный, EP и EN. Они подключены диагонально, т.е образуют соответствующие плечи. Сварка АС начинается не абы-как, а всегда с постоянки, минус на горелке. Как появится дуга- заводится переменка. То есть плечи назначаются управляющим сигналом драйверов и местом подключения горелки и массы. Как поступить с баяном, думаю, понятно.J-Tec писал(а):Где именно на схеме EN, а где EP. Ткните пальцем, а то не могу понять!
Re: Сварка AC-DC-TIG/MIG-MAG в среде защитных газов (AtMega 8)
Re: Сварка AC-DC-TIG/MIG-MAG в среде защитных газов.
Re: Сварка AC-DC-TIG/MIG-MAG в среде защитных газов.
Сегодня сделал осцилки, просьба спецам посмотреть все ли правильно?
Исходные данные Транс 2шт E65 витки: 13/5; Снабберы транзисторов: 5.6 nF 22 Ом. Вых диоды 150EBU02. Напряжение ХХ по стрелочнику: 60В; Ток кажет правильно (хотя больше 30А еще не грузил)
Холостой Ход
Исходные данные Транс 2шт E65 витки: 13/5; Снабберы транзисторов: 5.6 nF 22 Ом. Вых диоды 150EBU02. Напряжение ХХ по стрелочнику: 60В; Ток кажет правильно (хотя больше 30А еще не грузил)
Холостой Ход
Re: Сварка AC-DC-TIG/MIG-MAG в среде защитных газов.
Подключил нагрузку 15 А
Re: Сварка AC-DC-TIG/MIG-MAG в среде защитных газов.
Я не спец, но пару слов себе позволю. По моему несколько затянут скол размагничивания. Где-то читал, что он должен быть не ниже уровня середины питания, но категорично утверждать не стану. Остальное , на мой взгляд, нормально.
Re: Сварка AC-DC-TIG/MIG-MAG в среде защитных газов.
Это для ХХ? При токе 15А вроде нормально... Думаю небольшую нагрузку повесить на выход
Re: Сварка AC-DC-TIG/MIG-MAG в среде защитных газов.
Вот это вот -
Остальное нормально.
БОльший скол - это бОльшой запас по индукции. Это Комраду.
зря воткнул. Кончицца маштабным ФейерБахом.Vanchoper писал(а):Вых диоды 150EBU02.
Остальное нормально.
БОльший скол - это бОльшой запас по индукции. Это Комраду.
I'll be back
Re: Сварка AC-DC-TIG/MIG-MAG в среде защитных газов.
Sam_Soft в бармалейнике и подобных сварочниках трудятся такие диоды, здесь нельзя? Они и пошустрее будут чем 150EBU04
P.S. Просьба сильно не материть, т.к. опыта в сваркостроении нету
P.S. Просьба сильно не материть, т.к. опыта в сваркостроении нету
Re: Сварка AC-DC-TIG/MIG-MAG в среде защитных газов.
Нарисуй эквивалентную схему выходного выпрямителя во время обратного хода с подключенной снаберной емкостью и станет видно какое обратное напряжение прикладывается к прямому диоду. Так что взрыв не загорами. Но это есчо не всё, обратный диод тоже под угрозой. На ММА сним ничо не станет а на ТИГе - бальшой вопрос. Пробой любого из диодов потянет за собой и ключики. Тебе это нада ?Vanchoper писал(а):Sam_Soft в бармалейнике и подобных сварочниках трудятся такие диоды, здесь нельзя? Они и пошустрее будут чем 150EBU04
P.S. Просьба сильно не материть, т.к. опыта в сваркостроении нету
I'll be back
Re: Сварка AC-DC-TIG/MIG-MAG в среде защитных газов.
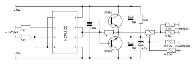
В соседней ветке (стр.125-127) был разговор о вылете одного транзистора в баяне у 7373. Разбор полетов состоялся и выводы были следующие:
1. Не пихать в дроссель 50мкГн.
2. Необходимо к оптике добавить повторители.
3. Возможна просадка питания, ибо по всем трем каналам +18 отсутствует ОС.
Для более полного понимания процессов посильно поштудировал теорию. Для примера-
первая часть: http://www.rlocman.ru/shem/schematics.html?di=50632
вторая часть: http://www.rlocman.ru/shem/schematics.html?di=51881
Теперь,собственно,назревшие вопросы, ибо сам определиться не могу.
1. Если принять во внимание величину пиковых токов затворов, может есть смысл сделать для этого дела отдельный питатель, прямоход?
2. ДОстаточно будет стабилизировать по ОС один (общий для двух плеч) канал питания?
Какие будут мнения?
1. Не пихать в дроссель 50мкГн.
2. Необходимо к оптике добавить повторители.
3. Возможна просадка питания, ибо по всем трем каналам +18 отсутствует ОС.
Для более полного понимания процессов посильно поштудировал теорию. Для примера-
первая часть: http://www.rlocman.ru/shem/schematics.html?di=50632
вторая часть: http://www.rlocman.ru/shem/schematics.html?di=51881
Теперь,собственно,назревшие вопросы, ибо сам определиться не могу.
1. Если принять во внимание величину пиковых токов затворов, может есть смысл сделать для этого дела отдельный питатель, прямоход?
2. ДОстаточно будет стабилизировать по ОС один (общий для двух плеч) канал питания?
Какие будут мнения?
Re: Сварка AC-DC-TIG/MIG-MAG в среде защитных газов.
Посмотрев схему ктайского тига думаю прямоход делать не обязательно, а достаточо поставить кренки 18вольт, и запитать их вольтов 25. И електролиты обязательно. Да и вот такая схема повторителя должна пойти. Хотя так и не посмотрел осцылом, нужен ли он там, не совсем в этом уверен.Komrad писал(а):В соседней ветке (стр.125-127) был разговор о вылете одного транзистора в баяне у 7373. Разбор полетов состоялся и выводы были следующие:
1. Не пихать в дроссель 50мкГн.
2. Необходимо к оптике добавить повторители.
3. Возможна просадка питания, ибо по всем трем каналам +18 отсутствует ОС.
Для более полного понимания процессов посильно поштудировал теорию. Для примера-
первая часть: http://www.rlocman.ru/shem/schematics.html?di=50632
вторая часть: http://www.rlocman.ru/shem/schematics.html?di=51881
Теперь,собственно,назревшие вопросы, ибо сам определиться не могу.
1. Если принять во внимание величину пиковых токов затворов, может есть смысл сделать для этого дела отдельный питатель, прямоход?
2. ДОстаточно будет стабилизировать по ОС один (общий для двух плеч) канал питания?
Какие будут мнения?