Апгрэд Блока управления универсального сварочника ( AT90PWM3B)
-
- Сообщения: 113
- Зарегистрирован: 09 авг 2017, 07:26
Re: Апгрэд Блока управления универсального сварочника ( AT90PWM3B)
накручивай циферки.результат есть.про с 14 не забудь.
Re: Апгрэд Блока управления универсального сварочника ( AT90PWM3B)
Ну вот, сам занизил и говорит Нехватает. Недостаточная реакция по току... Переbrainmo писал(а): ↑15 мар 2018, 09:11у меня ограничение тока маг программно стоит до 180 как раз(специалльно занизил думал куда мне больше, так как ни когда на варил аппаратами с заявленным током больше 180а)думаю повысить надо попробовать как у вас у всех до 230.
когда усишкой напрямую управление делал , то там действительно можно говорить о подобии струйного переноса "водичка"
делывать режим нужно, процик не успевает....Не, всё. Пора завязывать. Будьте мне здоровы.https://www.youtube.com/watch?v=mdk9SycHMnc
Re: Апгрэд Блока управления универсального сварочника ( AT90PWM3B)
Сергей на коком оптроне думаешь остоновится и как калибровка соответствует индикатору? Видео было бы неплохо,вот и сам думаю освоить.
Re: Апгрэд Блока управления универсального сварочника ( AT90PWM3B)
Мужики, нужно еще немного помощи. не могу выставить напряжение.
Измерить толком баласт не получилось, выставил по закону ома. В итоге получил практически во всех вариантах на минималке 10 вольт - далее при регулировке до 15.4 стоит немного плавая на 10 вольтах. Начиная с 15.5 начинает шкалить до 34 вольт(ток кажет 170 А ).
И предрекая ответ на свой вопрос - нашел различие в своей печатке и схеме: Резистор соответственно на плате 6,2K (то есть на сколько я понимаю я вполне мог спалить диод). Так же на сколько я понял - данный узел переработан? (поиском толком не нашел ни чего). Заранее спасибо за помощь!
Измерить толком баласт не получилось, выставил по закону ома. В итоге получил практически во всех вариантах на минималке 10 вольт - далее при регулировке до 15.4 стоит немного плавая на 10 вольтах. Начиная с 15.5 начинает шкалить до 34 вольт(ток кажет 170 А ).
И предрекая ответ на свой вопрос - нашел различие в своей печатке и схеме: Резистор соответственно на плате 6,2K (то есть на сколько я понимаю я вполне мог спалить диод). Так же на сколько я понял - данный узел переработан? (поиском толком не нашел ни чего). Заранее спасибо за помощь!
Re: Апгрэд Блока управления универсального сварочника ( AT90PWM3B)
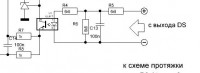
Узел не переработан ,просто делитель у всех вынесен на клемы о чем неоднократно писалось. Это резисторы R5 R6 и С14
-
- Сообщения: 113
- Зарегистрирован: 09 авг 2017, 07:26
Re: Апгрэд Блока управления универсального сварочника ( AT90PWM3B)
Я по прежнему в поисках .калибровку не делал.свои замеры показывал ранен.с установкой мин и мах напряжения у меня нет.похоже у меня сеть в гараже не та и п.а ведет себя по разному.
Re: Апгрэд Блока управления универсального сварочника ( AT90PWM3B)
А что вольтметр показывает ,я про сеть .При 190 вольт в сети параметры сохраняются, сам в квартире калибрую и вижу просадку сети если ток 100 А и несколько минут подержать . Если не долго то емкости держут нормально.Замеры замерами но надо сделать калибровку .
-
- Сообщения: 392
- Зарегистрирован: 02 дек 2012, 07:30
- Откуда: Сибирь
Re: Апгрэд Блока управления универсального сварочника ( AT90PWM3B)
Если сеть плохая можно калибровать и на меньшем сопротивлении балласта, я до 100А делаю на 0,2 ом далее перехожу на 0,1 ом или даже меньше. Напряжение вообще на 0,4 ом делаю, больше нету спиральки, и разницы не увидел если делать на меньшем балласте.
dik01, подскажите какой у вас резистор в цепи оптрона измерения напряжения, который вы уменьшали?
dik01, подскажите какой у вас резистор в цепи оптрона измерения напряжения, который вы уменьшали?