Можно.коляныч писал(а):народ подскажите можно ли трансформатор тока намотать проводом мгтф
Конструкция сварочника AC-DC
Re: Конструкция сварочника AC-DC
- aviatechnic
- Сообщения: 59
- Зарегистрирован: 27 сен 2011, 17:54
- Откуда: Екатеринбург
Re: Конструкция сварочника AC-DC
Петрович Вам респект за идею огромный...Хвастаюсь пока тем что получилося)
Пока собираю силовой блок
Пока собираю силовой блок
Re: Конструкция сварочника AC-DC
Ловите в помощaviatechnic писал(а):Петрович Вам респект за идею огромный...Хвастаюсь пока тем что получилося..
Re: Конструкция сварочника AC-DC
Петрович скажите пожалуйста а нельзя ли у вас заказать прошитый контроллер и изготовляете ли вы корпуса на заказ спасибо
Re: Конструкция сварочника AC-DC
Прошить контроллер, как 2 байта отослать. А как Вы потом настраивать будете? Там, в частности надо ЕЕПРОМ подгонять по фигуре... Давайте лучше научу как прошивать. Это не сложно, не больно и не муторно. И всё-равно пригодится. Здесь я подробненько всё описал. Давайте Ваши вопросы.xenon631 писал(а):Петрович скажите пожалуйста а нельзя ли у вас заказать прошитый контроллер и изготовляете ли вы корпуса на заказ спасибо
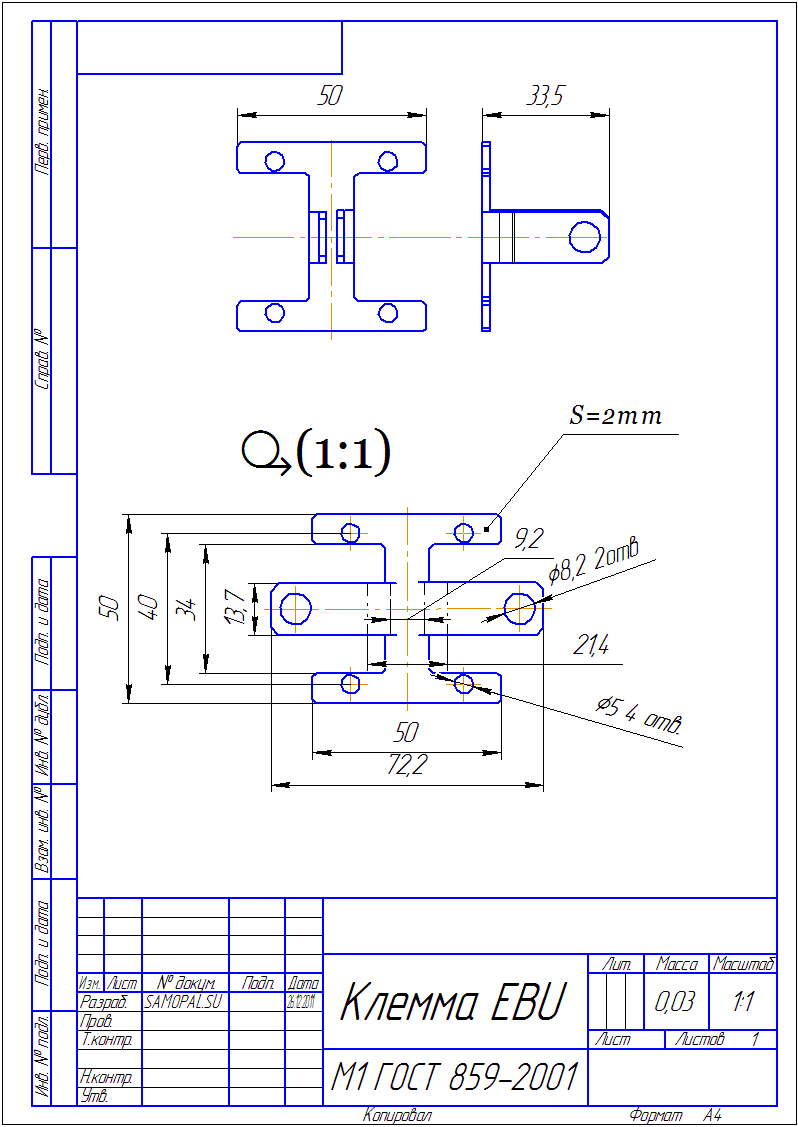
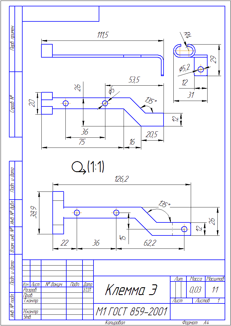
По корпусам. Мне фирма, которая штампует и гнёт дэнег должна немеряно. Они всё время намякают, сделаем любой корпус, но денег не проси. Вопрос лишь в наличии чертежей. Им нужены DXF. Если то, что я нарисовал Вас устраивает, то после каникулов буду заказывать. Могу 2,3 и т.д.
Re: Конструкция сварочника AC-DC
меня интересует стоимость вашего корпуса пока за 1ш-т .програматор у меня через USB и програмировать готовлюсь первый раз поэтому стремно со схемой почти разжевал для себя а с проциком???!!!спасибо
Re: Конструкция сварочника AC-DC
Ориентировочно с покраской 1500-2000р. Деталюшек многовато. Точнее скажу позже.xenon631 писал(а):меня интересует стоимость вашего корпуса...
Re: Конструкция сварочника AC-DC
Уважаемый Петрович прошу Вас ответить сколько стоит ваш корпус(точно) и прошитый процик
для меня это важно буду вам крайне прзнателен спасибо. Что значит подогнать EEPROM по фигуре? Спасибо.
для меня это важно буду вам крайне прзнателен спасибо. Что значит подогнать EEPROM по фигуре? Спасибо.
Re: Конструкция сварочника AC-DC
Конечно же отвечу. Но позже. Сейчас на каникулах закончу чертежи, и сразу в работу. Они посчитают и отвечу точно. Процик прошить бесплатно, просто стоимость пересылки, думаю 30-50 рублей за "заказное письмо".xenon631 писал(а):Уважаемый Петрович прошу Вас ответить сколько стоит ваш корпус(точно)
В настройках сварочника описано, как подгонять ЕЕПРОМ. Ну, например показания температуры. Допустим у Вас показывает 35 градусов, а на самом деле 25. Надо в соответствующей ячейке убавить константу. И там таких несколько. Например "жёсткость дуги" и т.п. Точнее я не очень внимательно читал, пока до этого не дошёл. Как дойду, всё опишу в этой статье. Надо перечитать весь форум.xenon631 писал(а):Что значит подогнать EEPROM по фигуре? Спасибо.
Поэтому я и предлагаю Вам спаять 5 проводков и часик повозиться. Это просто. К тому же крайне полезно. Этими же проводками Вы в дальнейшем сможете программировать и протяжку и провести "апгред".
- aviatechnic
- Сообщения: 59
- Зарегистрирован: 27 сен 2011, 17:54
- Откуда: Екатеринбург
Re: Конструкция сварочника AC-DC
Всех поздравляю с наступающим Новым Годом!!! Удачи и успехов в новых начинаниях!! и побольше контента!! 