Re: Сварка AC-DC-TIG/MIG-MAG в среде защитных газов (AtMega 8)

Lukialex
Сообщения: 42
Зарегистрирован: 12 дек 2010, 19:08
Откуда: Красноярск

Re: Сварка AC-DC-TIG/MIG-MAG в среде защитных газов.

Сообщение Lukialex »

ajsn писал(а):исходное подключение индикатора серез регистры
На, в формате EAGLE 5.10.0
Вложения
Ind.rar
(26.79 КБ) 696 скачиваний
Аватара пользователя
Petrovich
Сообщения: 2021
Зарегистрирован: 25 авг 2008, 23:19

Re: Сварка AC-DC-TIG/MIG-MAG в среде защитных газов.

Сообщение Petrovich »

ajsn писал(а):...Посмотрите плизз мой вариант или киньте принципиальную правильную схему подключения...
Ну вроде ж я всё исправил на главной, все пока довольны. У Вас не правильно. Проверить не могу, нет индикатора. Последний индикатор на термометр извёл.
ajsn писал(а):....восстановить исходное подключение индикатора серез регистры.
Про резисторы не в курсе, но вроде был спич, что они там не нужны?
Lukialex
Сообщения: 42
Зарегистрирован: 12 дек 2010, 19:08
Откуда: Красноярск

Re: Сварка AC-DC-TIG/MIG-MAG в среде защитных газов.

Сообщение Lukialex »

Petrovich писал(а):Ну вроде ж я всё исправил на главной
Да, на главной все правильно, тоже перепроверял.
ajsn
Сообщения: 203
Зарегистрирован: 14 сен 2011, 06:49
Откуда: Москва

Re: Сварка AC-DC-TIG/MIG-MAG в среде защитных газов.

Сообщение ajsn »

Petrovich писал(а):вроде ж я всё исправил на главной, все пока довольны. У Вас не правильно.
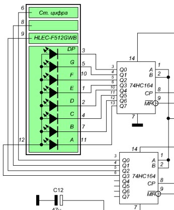
Собственно смущает в схеме только одна штучка - надпись "Ст.цифра"
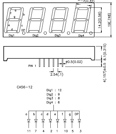
В индикаторе 6ой вывод - самая правая цифра - МЛАДШАЯ.
Выход Q0 c нижней 74HC164 - это тоже младшая цифра должна быть (если в хексе прописано стандартное использование 74HC164).
Petrovich писал(а):Про резисторы не в курсе, но вроде был спич, что они там не нужны?
сдвиговые регистры! не резисторы
Вложения
Clipboard02.jpg
Clipboard01.jpg
Lukialex
Сообщения: 42
Зарегистрирован: 12 дек 2010, 19:08
Откуда: Красноярск

Re: Сварка AC-DC-TIG/MIG-MAG в среде защитных газов.

Сообщение Lukialex »

Старшая - самая правая.
Аватара пользователя
Petrovich
Сообщения: 2021
Зарегистрирован: 25 авг 2008, 23:19

Re: Сварка AC-DC-TIG/MIG-MAG в среде защитных газов.

Сообщение Petrovich »

Lukialex писал(а):Старшая - самая правая.
Да ушшшшш.... за основу была взята проверенная разводка от Санька, по ней и сделана моя разводка. Сейчас надо бы вместо надписи "Ст. цифра" конечно же написать Мл. Cделал.
ajsn
Сообщения: 203
Зарегистрирован: 14 сен 2011, 06:49
Откуда: Москва

Re: Сварка AC-DC-TIG/MIG-MAG в среде защитных газов.

Сообщение ajsn »

Ну уж извините.
С 1го класса старшинством учили считать разряды числа а не цифры ы числе. Слева старшие разряды, справа младшие.
А по какому принципу у Вас поименован самый правый разряд старшим?
Или я вообще чего-то глобального не догоняю?
Аватара пользователя
Petrovich
Сообщения: 2021
Зарегистрирован: 25 авг 2008, 23:19

Re: Сварка AC-DC-TIG/MIG-MAG в среде защитных газов.

Сообщение Petrovich »

ajsn писал(а):...Или я вообще чего-то глобального не догоняю?
Ну исправил уже, и вообще там не слева и справа, а сверху вниз.
zmey71
Сообщения: 774
Зарегистрирован: 14 янв 2011, 14:33
Откуда: Минская обл.

Re: Сварка AC-DC-TIG/MIG-MAG в среде защитных газов.

Сообщение zmey71 »

Ну во мужыки гляньте че получилось,варит офигенно.
Аватара пользователя
Petrovich
Сообщения: 2021
Зарегистрирован: 25 авг 2008, 23:19

Re: Сварка AC-DC-TIG/MIG-MAG в среде защитных газов.

Сообщение Petrovich »

zmey71 писал(а):...,варит офигенно.
ну ты змей, поздравляю.
Ответить