пуско-зарядное на uc3845

GND
Сообщения: 4
Зарегистрирован: 22 июн 2015, 19:21

пуско-зарядное на uc3845

Сообщение GND »

всем привет! проба пера - двухтранзистрный однотахт
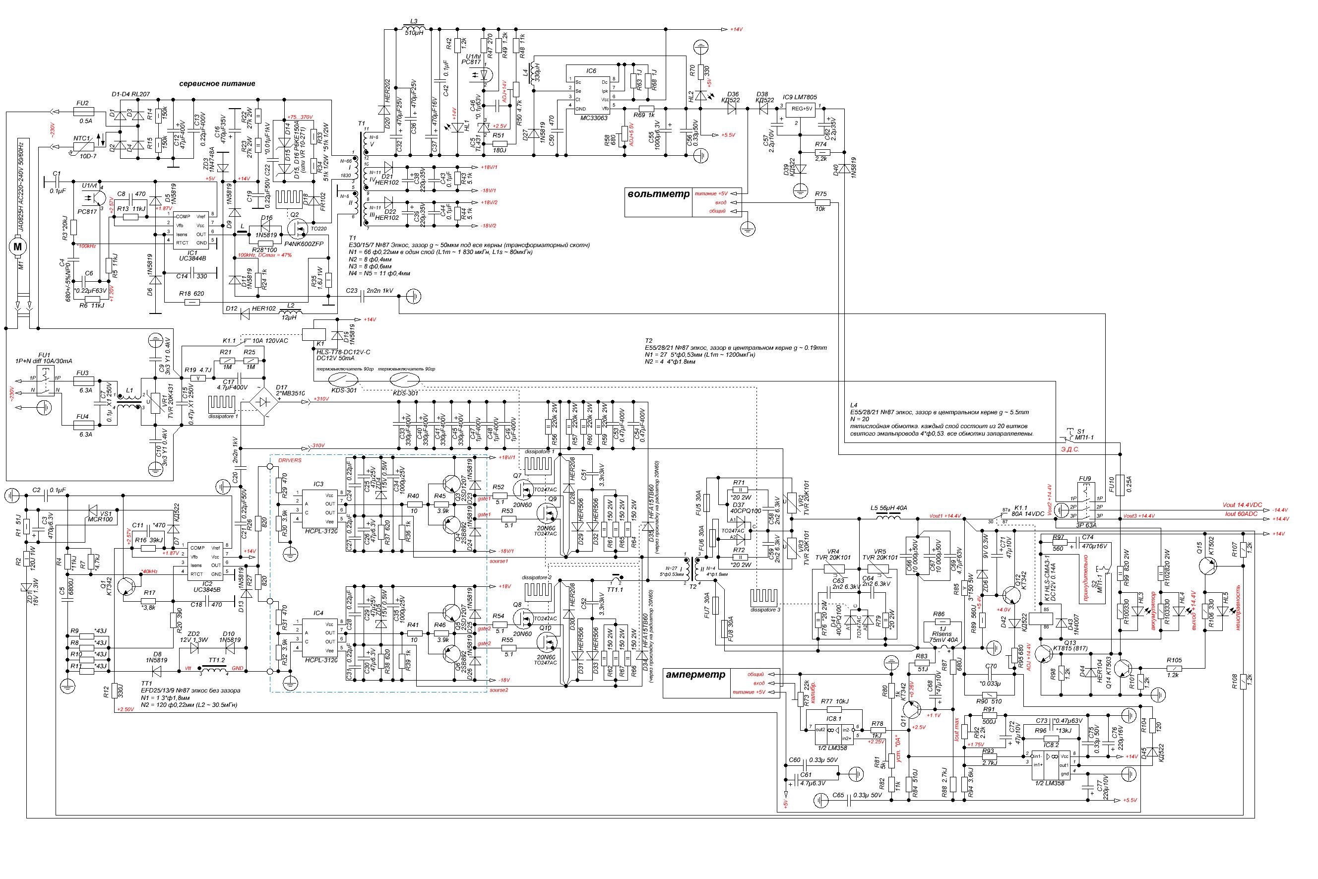
forward_14.4v_40a.JPG
работа на козу
[
работа на козу.jpg
морда лица
морда.jpg
дежурка и драйвера
дежурка и драйвра.jpg
виды
новый феррит.jpg
обновка.jpg
GND
Сообщения: 4
Зарегистрирован: 22 июн 2015, 19:21

Re: пуско-зарядное на uc3845

Сообщение GND »

Трансформатор силовой намотан на феррите Е55 №87 Эпкос. зазор - один слой желтого трансформаторного скотча на все керны
одной половины. первичная - нескрученный жгут из 12 эмальверевок ф0,53мм в общей желтоскочной изоленте 50мкм. вторичная - 5 витков,
но веревок уже поболее. ближе к сотне 90...100 того же ф0,53 в общей изоляции. индуктивность первички. в районе, 1 500мкГн.
дроссель выполнен на том же Е55, но центральный керн стачивался на 5,5мм в однй половинке на алмазе. обмотка - 20 витков
эмалированного ф1,8мм в 5...8 проводов. ф 63А ограничения - это ну очень щадащий режим. Просто шунт оказался с большим сопртивлением
а настраивать было лень. да и выходных веревок КГ16кв жалко было резать со сверкальника.
бочина.jpg
вид снизу.jpg
Аватара пользователя
optopara2
Сообщения: 195
Зарегистрирован: 22 окт 2013, 14:33
Откуда: Украина, Киевская обл
Контактная информация:

Re: пуско-зарядное на uc3845

Сообщение optopara2 »

Да я так поглядел навскидку на схему, и понял что Вы легких путей не ищете (чтоб схема была попроще да подешевле , как любят многие ), да и видно , что человек старался, все качественно прорисовано, обозначено , сфотографировано :) . Может я когда буду делать себе , так позаимствую какие -нибудь схемные решения .
Виннипух
Сообщения: 6
Зарегистрирован: 18 фев 2015, 07:42
Откуда: Энгельс
Контактная информация:

Re: пуско-зарядное на uc3845

Сообщение Виннипух »

optopara2 писал(а):Да я так поглядел навскидку на схему, и понял что Вы легких путей не ищете
Позволю заметку - самое простое решение ,использование готового бу шного блока питания от компа .при 12В и токе 30-35А обеспечивают довольно легко ,если еще пришить небольшую совсем схему ,то получается и зарядное и пусковое ,блоки надежны ,ведь они могут и сутками работать и хлопот меньше по переделке .
GND
Сообщения: 4
Зарегистрирован: 22 июн 2015, 19:21

Re: пуско-зарядное на uc3845

Сообщение GND »

чтоб схема была попроще да подешевле , как любят многие
да есть всякие слабоумные дэбилы. расплата за слабоумие и жадность - спаленый гена и эбу колесницы. и потом с выпученуми глазыми по разборкам шастать.
все качественно прорисовано, обозначено , сфотографировано :)
я тут как бэ, нипричём. схема рисуется лехко. германские программеры сделали изумительный sPlan 7.0. они же и srint layout 6.0. Юрий Махортич обкатал схему высокохудожественнного сверкальника. силовая срисована на 100%.
http://www.electrik.org/forum/index.php?showtopic=25898
я стою на плечах гигантов, как бэ. я, по мере здоровья и полученного образования проникаюсь тонкостями преобразования энергии. ну упустил время, всяким непотребством, бисер свиньям долго раскидывал...
Позволю заметку - самое простое решение ,использование готового бу шного блока питания от компа .при 12В и токе 30-35А обеспечивают довольно легко ,если еще пришить небольшую совсем схему ,то получается и зарядное и пусковое ,блоки надежны ,ведь они могут и сутками работать и хлопот меньше по переделке .
да ну за ради бога. какой там феррит? Е42? с германским профессором - инженером-бакалавром Хайнцем Шмидт_Вальтером спорьте тогда
14.4V_35A.jpg
14.4V_35A_2.jpg
14.4V_35A.jpg
не видать там и в помине клопов-дистрофанов. я так скажу: после 10мин работы на нагрузку 63А (авто со всекми возможными потребителями, фары, стопы, климатъ, обогревы) 10 квадратные веревки были заметно теплыми, да и дроссель на Е55 тоже нагрелся. про пуск и прокрутку ДВС током 120+ в течении некоторого времени я вообще не говорю. есть реальный опыт переделки комповых ? выложите видео тогда...
Вложения
14.4_35A_3.jpg
Аватара пользователя
Komrad
Сообщения: 2713
Зарегистрирован: 27 авг 2011, 21:07

Re: пуско-зарядное на uc3845

Сообщение Komrad »

GND писал(а):я стою на плечах гигантов, как бэ. я, по мере здоровья и полученного образования проникаюсь тонкостями преобразования энергии.
https://www.youtube.com/watch?v=WT1ytPVJDQY
Аватара пользователя
optopara2
Сообщения: 195
Зарегистрирован: 22 окт 2013, 14:33
Откуда: Украина, Киевская обл
Контактная информация:

Re: пуско-зарядное на uc3845

Сообщение optopara2 »

Я парочку компьютерных БП когда-то переделывал под зарядные, в результате валяются где-то в углу на запчасти . Поэтому сделал для себя вывод , что из дерьмового БП хорошую зарядку не сделать. Уже при нагрузке в 6-7 А перегреваются силовые транзисторы и выходят из строя . Зарядное может бы и получилось , если взял бы БП получше , ну дак тогда какой смысл портить БП, если его можно использовать по прямому назначению. А 30-35 А никакой даже дорогой БП не даст , разве что кратковременно на пару -тройку сек, а потом пыхнет если не уйдет в защиту .
Аватара пользователя
Petrovich
Сообщения: 2021
Зарегистрирован: 25 авг 2008, 23:19

Re: пуско-зарядное на uc3845

Сообщение Petrovich »

optopara2 писал(а):... Поэтому сделал для себя вывод , что из дерьмового БП хорошую зарядку не сделать. Уже при нагрузке в 6-7 А перегреваются ... .
Вывод не правильный. Я делал много и из всяких. Неизменно получаются конфетки. Последний лабораторник с цифровым заданием просто сказка. От нуля до 50 вольт при токе в 10 ампер лёгко. И колёса им накачиваю и АКБ заряжает и для работы хорош. Просто я старый стал, ленивый, лень его на сайт выкладывать.
Виннипух
Сообщения: 6
Зарегистрирован: 18 фев 2015, 07:42
Откуда: Энгельс
Контактная информация:

Re: пуско-зарядное на uc3845

Сообщение Виннипух »

Petrovich писал(а): Вывод не правильный. Я делал много и из всяких. Неизменно получаются конфетки..
Согласен ,мой экземпляр выдает 19в на 32а ,еще парные бп отдают 13в на 60а ( в паре) для проверки мощной звуковухи в авто
Аватара пользователя
optopara2
Сообщения: 195
Зарегистрирован: 22 окт 2013, 14:33
Откуда: Украина, Киевская обл
Контактная информация:

Re: пуско-зарядное на uc3845

Сообщение optopara2 »

Не ну ежели бы я сейчас переделал свой Залман на 650Вт с активным PFC , что у меня в компе стоит, дак может он столько бы и давал .А так я когда-то переделывал древние БП на 200 Вт, которые еще включались отдельной кнопкой , там трансформатор намотан то на сердечнике ЕI33 , а попадались и на ЕI28, дак чего с них то выжмешь. Если переделывать, так нужно чтоб трансформатор был хотя бы на ЕТД34. И то 32А при 19 В он долго не даст, за минуту сгорит, это ж почти 650Вт без учета КПД БП .Вы что БП на 1кВт может в зарядку переделали? Дак я скажу дешевле будет сделать такую зарядку с нуля ,а БП продать и еще денег куча останется.
Ответить