Re: Сварка AC-DC-TIG/MIG-MAG в среде защитных газов (AtMega 8)

Gonchiy
Сообщения: 22
Зарегистрирован: 15 май 2011, 13:07

Re: Сварка AC-DC-TIG/MIG-MAG в среде защитных газов.

Сообщение Gonchiy »

Вопрос так и остался без ответа.Сэм и Петрович подскажите(вы похоже больше всех знаете) на сколько сильно мешает скин эфект,на много-ли лучше работают трансы намотаные литцентратом ??? Фольга я думаю отпадает т.к. по идее там ёмкость должна быть заметно больше. Первый вариант (обрезаный,полевой без модулей)собрал ,запустил.Пробовал варить ручником - варит отлично мягко,пробовал форсаж - работает,сразу чуствуется ,только надо подобрать резистор на трансформаторе тока а то брешет ампер на 20-30.Интересуюсь литцем т.к.буду начинать второй сабирать полный вариант, побольше.
Lukialex
Сообщения: 42
Зарегистрирован: 12 дек 2010, 19:08
Откуда: Красноярск

Re: Сварка AC-DC-TIG/MIG-MAG в среде защитных газов.

Сообщение Lukialex »

Petrovich писал(а): ...применять вот такие SMD.
Спасибо, пополню библиотеку.
Аватара пользователя
sam_soft
Сообщения: 1523
Зарегистрирован: 30 окт 2009, 22:27

Re: Сварка AC-DC-TIG/MIG-MAG в среде защитных газов.

Сообщение sam_soft »

Gonchiy писал(а):Вопрос так и остался без ответа.Сэм и Петрович подскажите.......Интересуюсь литцем т.к.буду начинать второй сабирать полный вариант, побольше.
Не заморачивайся особо с лицендратом. Правильный литц все равно не сделаеш, средняя часть у него не работает , а эфективное сечение куда меньше за счет скручиваний. На наших частотах , эт примерно 40 кгц, оптимальная намотка это слоями, из 1 или 1.2 провода. Слои потом в паралель. Скин сам по себе не так страшон, эфект вытеснения тока на поверхность из за многослойных обмоток , это с фольгой обычно, куда более впечатляет.( не путать с запаралеливанием обмоток эт разные вещи). Фольга хороша когда виток, ну макс. два. Тож самое касается и дросселей. Помнится как то у Валентина Володина на форуме я выкладывал фотки разных трансформаторов , с данными по разогреву , там же были и расчёты эфективных сечений проводов разных диаметров. Но эт оч давно было, прямую сцылку щас не дам. Сам поищи если интересно.
Но если интересна настоящая теория всего этого дела, оригиналы работ, а не вольные полупереводы коих полно щас, то могу поискать, гдето были в закромах.
I'll be back
Gonchiy
Сообщения: 22
Зарегистрирован: 15 май 2011, 13:07

Re: Сварка AC-DC-TIG/MIG-MAG в среде защитных газов.

Сообщение Gonchiy »

То-есть брать хороший провод в хорошей изоляции и мотать сколько получится слоёв ,чередуя первичку с вторичкой ,что-бы набрать 4-5кв первичку ,25-30кв вторичку ,а разницу в сопротивление слоёв компенсирует лучшее охлаждение (хотя там мизер).Максимум брать провод диаметром 1,2мм(как раз такой и есть 1,2 в шёлке ).
Аватара пользователя
Petrovich
Сообщения: 2021
Зарегистрирован: 25 авг 2008, 23:19

Re: Сварка AC-DC-TIG/MIG-MAG в среде защитных газов.

Сообщение Petrovich »

Gonchiy писал(а):То-есть брать хороший провод в хорошей изоляции и мотать сколько получится слоёв ,чередуя первичку с вторичкой ,что-бы набрать 4-5кв первичку ....
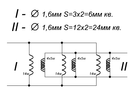
1. Вообще-то был выбран и прощитан оптимум.Привожу его ещё разик для Е70.
2. По скин-эффекту не отвечал потому, что не могу разобраться с формулами. По тому материалу, что у меня есть что-то с формулами не то. А глубоко копать лень. В общих чертах суть такова, что литцендрат даёт плохой К заполнения, что при импульсных токах не приводит к уменьшению потерь, а часто даже наоборот.
Вложения
.GIF
.GIF (5.79 КБ) 15945 просмотров
-70-3Д.gif
Аватара пользователя
Customs
Сообщения: 499
Зарегистрирован: 20 дек 2009, 20:18

Re: Сварка AC-DC-TIG/MIG-MAG в среде защитных газов.

Сообщение Customs »

Sam_Soft можно поинтересоваться, будут ли вносится программные изменения в действующий вариант управы?
Спасибо.
Gonchiy
Сообщения: 22
Зарегистрирован: 15 май 2011, 13:07

Re: Сварка AC-DC-TIG/MIG-MAG в среде защитных газов.

Сообщение Gonchiy »

Спасибо огромное за пояснения !!!А я чуть не залез в этот литц. Буду мотать,только не на E70 а на 2-ух Ш20*28 ,у меня их 6 комплектов с древних времён. Если кто мотал на таких выложите свои расчёты и впечатление о работе(температуру и максимальный ток).
Аватара пользователя
Petrovich
Сообщения: 2021
Зарегистрирован: 25 авг 2008, 23:19

Re: Сварка AC-DC-TIG/MIG-MAG в среде защитных газов.

Сообщение Petrovich »

Gonchiy писал(а):...только не на E70 а на 2-ух Ш20*28 ,у меня их 6 комплектов с древних времён. Если кто мотал ....
:D Смотрите мои первые извраты. Сделано в общей сложности таких 4 сварочника. Без проблем. Впечатление офигенное. Практически траф холодный, но у меня там было витьков поболее.
Аватара пользователя
sam_soft
Сообщения: 1523
Зарегистрирован: 30 окт 2009, 22:27

Re: Сварка AC-DC-TIG/MIG-MAG в среде защитных газов.

Сообщение sam_soft »

Customs писал(а):Sam_Soft можно поинтересоваться, будут ли вносится программные изменения в действующий вариант управы?
Спасибо.
Найденные баги , которые будут зарепорчены и апрувлены обшэственностью будут фиксится. Как я и обесчал. Развитие, или что та новое, под вопросом. Про большому счету мне просто не то чтобы в лом менять чтота и чекать, но поскольку придется переставлять старую управу вместо новой , сие деяние для меня лична весьма нижылательна. Ибо всё что делается по этому проекту эт сугубо волонтёрское, никакой комерцыии, адни убытки по времени , ну и по баблу трохе, я лична не алигарх, хоць не самы бедны в нашэй местасци :)
Новую управу всё никак нимагу дорисовать, матаюся то туды , то суды , по делам. Жрать то чтота нада, потому и мотацца. А от сварников чесна сказать адни убытки. :)
I'll be back
zmey71
Сообщения: 774
Зарегистрирован: 14 янв 2011, 14:33
Откуда: Минская обл.

Re: Сварка AC-DC-TIG/MIG-MAG в среде защитных газов.

Сообщение zmey71 »

Форумчане подскажите,какое должно быть напряжение на затворах ключей?
Ответить