Конструкция сварочника AC-DC

Аватара пользователя
PAVEL
Сообщения: 1218
Зарегистрирован: 10 дек 2011, 18:37
Откуда: Россия

Re: Конструкция сварочника AC-DC

Сообщение PAVEL »

Petrovich писал(а): 3. Сожалею, но опять я занят на работе, так что урывками.
Тогда оставлю как есть пускай полежит до лучших времён.По разъёмам програмирования так и подумал если подсветку делать будут мешать а убирать куда? если вобще с платы,пристроить где небудь за платой или с боку
Аватара пользователя
Petrovich
Сообщения: 2021
Зарегистрирован: 25 авг 2008, 23:19

Re: Конструкция сварочника AC-DC

Сообщение Petrovich »

PAVEL писал(а):Петрович пока мы тут ожидаем сделал.....
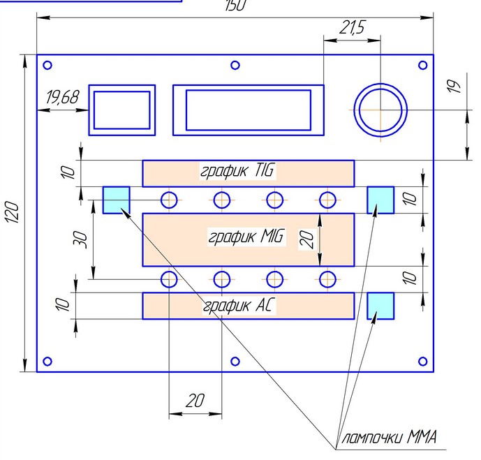
Ну вот, на скорую руку по АИСНу.
Примерно расположил, посмотрите какие мелкие графики. Правильно тут было подмечено, не гаджет делаем, потом хрен чего разберёш.
Вложения
27.11.001 - Стекло2_TIG.jpg
Аватара пользователя
Petrovich
Сообщения: 2021
Зарегистрирован: 25 авг 2008, 23:19

Re: Конструкция сварочника AC-DC

Сообщение Petrovich »

PAVEL писал(а):... если вобще с платы,пристроить где небудь за платой или с боку
Самое нормальное припаять к Вашим пинам косички и пусть болтаются.
И вот ещё, помницца, Вы хотели пристроить на переключение режимов энкодер. Думаю, что энкодер не надо, а вот простой переключатель с одной кнопкой это запросто на 2313. Тискаем кнопку и лампочки переключаются по порядку. Элементарный наворот, а решит все проблеммы на рас.
Аватара пользователя
PAVEL
Сообщения: 1218
Зарегистрирован: 10 дек 2011, 18:37
Откуда: Россия

Re: Конструкция сварочника AC-DC

Сообщение PAVEL »

Petrovich писал(а):... Думаю, что энкодер не надо, а вот простой переключатель с одной кнопкой это запросто на 2313. Тискаем кнопку и лампочки переключаются по порядку. Элементарный наворот, а решит все проблеммы на рас.
Об этом догадывался только с двумя кнопками на ИЕ11 плюс и минус подумал что старо это,а с 2313 можно неплохо получится и для подсветки что надо
Аватара пользователя
Petrovich
Сообщения: 2021
Зарегистрирован: 25 авг 2008, 23:19

Re: Конструкция сварочника AC-DC

Сообщение Petrovich »

PAVEL писал(а):
сделаю на рас
sergsha
Сообщения: 78
Зарегистрирован: 21 сен 2011, 12:08
Откуда: Харьков, Украина
Контактная информация:

Re: Конструкция сварочника AC-DC

Сообщение sergsha »

Появился в продаже на Барабашова такой апаратец. Крутелки два энкодера.
Вложения
14578177_w640_h640_dscn1916.jpg
14578185_w640_h640_sajt.jpg
Аватара пользователя
sam_soft
Сообщения: 1523
Зарегистрирован: 30 окт 2009, 22:27

Re: Конструкция сварочника AC-DC

Сообщение sam_soft »

sergsha писал(а):Появился в продаже на Барабашова такой апаратец. Крутелки два энкодера.
Да, видел такую штуку. И порно по управлению смотрел , сложновато на мой взляд настройки и управлениею. И ливер от него есть в сети. Но тем не менее надо отдать должное китайцам - у них прогресс и к тому же вместо 100 полевиков , собран полность на модулях и DC и AC части.
Почему две крутёлки - одна из которых исключительно для настройки баланса. Видимо китайсы не смогли впихнуть в один проц всё управление. Управление переменкой у них похоже отдельный автономный юнит, как Петрович говорит -Кувыркалка. Других мыслей насчот нахрена так сделано - никаких нету. Баланс такая штука, которая крутится достаточно редко. И выносить это на отдельную крутёлку - бред.
I'll be back
zmey71
Сообщения: 774
Зарегистрирован: 14 янв 2011, 14:33
Откуда: Минская обл.

Re: Конструкция сварочника AC-DC

Сообщение zmey71 »

Гляньте на морду моего рабочего Есаба,мот пригодится.
Аватара пользователя
sam_soft
Сообщения: 1523
Зарегистрирован: 30 окт 2009, 22:27

Re: Конструкция сварочника AC-DC

Сообщение sam_soft »

sam_soft писал(а):Но тем не менее надо отдать должное китайцам - у них прогресс и к тому же вместо 100 полевиков , собран полность на модулях и DC и AC части.
Не, ошибся трохе. Собран наверняка в Китае. Но родина таки Калифорния. Смотреть тута
http://www.everlastgenerators.com/produ ... ry-58.html
ну адин к одному усё. То-то я думаю неуж то такой прогрес у касоглазых.
I'll be back
ajsn
Сообщения: 203
Зарегистрирован: 14 сен 2011, 06:49
Откуда: Москва

Re: Конструкция сварочника AC-DC

Сообщение ajsn »

Petrovich писал(а):попробуйте пожалуйста подложить вот этот рисунок в масштабе 1/1 и нарисовать как Вы делали для полосок
Извините не видел вопроса.
Вот Вам исходный векторный файл cdr. Можно под свой размер морды и полосок как угодно растягивать. Там же шпаргалка - текст в рамочках.
Кроме Корела можно Адобом Иллюстратором открывать.
Посмотрел - Вы пробовали накладывать рисунки, но у меня плата 82х107мм, у Вас - 120х152
Вложения
w4_control_face.7z
(85.56 КБ) 647 скачиваний
Последний раз редактировалось ajsn 28 ноя 2012, 18:50, всего редактировалось 1 раз.
Ответить